这次疫情之后,会迎来三甲医院建设潮,业界预计年内突破3万亿,同时各省市会加大P3生物实验室建设,在建造生物实验室时,规范设计十分重要,新建设的三甲医院,也应充分考虑暖通空调设计的科学性,比以往项目的空调设计要更加的专业和先进,安全可靠,分区分时,因地制宜,研究讨论各种应急情况。
之前我们介绍过我国P4实验室设计一文《P4实验室建筑设计和机电设计解析》,接下来笔者介绍一下P3实验室的空调设计,P3实验室相对于P4实验室等级低一级,毕竟P4是少数,只有1个,研究特别危险的病毒,极少,P3实验室相对多很多,国内目前建成的就有46个,上海有8家,P3实验室用于一般的病毒研究已经足够。
P3指国家三级安全防护实验室,研究和处理对人体、动植物或环境具有高度危害性,可通过气溶胶感染引起严重或致命疾病的生物安全实验室。研究的往往是致病微生物或其毒素,除H7N9,还有大家熟知的艾滋病毒HIV等。
本文以上海某P3实验室为例,介绍通风空调系统设计、控制及选型。
实验室概况及平面布置
该实验室坐落于上海郊区的一座独立的实验楼内,地上2层。地下1层。层高4.2m,实验室面积845m2。实验室上部为设备管道层,下层为污水处理。此P3实验室主要进行高致病性病毒微生物的检测以及未知毒性的原微生物实验,如禽流感、口蹄疫、狂犬病等。

(图片可点开放大看)“三区一通道”平面图
采用“三区一通道” 形式布置,将P3实验室划分为污染区、半污染区、清洁区。各区之间设置缓冲间隔离,防止气溶胶外溢,人流和物流双向进出。
人流(上图蓝线):一更→二更→缓冲→内准备→缓冲→主实验室
物流(上图黄线):外准备→灭菌→内准备→主实验室
采用环形走廊把实验室和外界隔离,形成过渡区,起到再次隔离和缓冲的作用。
通风空调设计
采用空气源热泵机组为P3实验室区域提供冷热源。夏季冷冻水供水温度6℃,回水温度12摄氏度。冬季热水供水温度55℃,回水温度45℃。一般病毒在55℃水中存活很短,如新冠病毒和军团菌。
考虑到实验室人员在P3实验室穿戴的防护服和防护罩不透气,因此室内温度定在20~24℃,相对湿度定在50~60%。
P3实验室必须是全新风空调系统,不允许回风。全新风空调系统投资大,能耗高。与我国现行节能标准有矛盾,但P3实验室有其特殊性,不同于常规的民用建筑,建筑面积较小,空调工作时间为间断性,为确保使用的安全性,采用直流式空调系统是必要的。通过围护结构的严密性来降低送风量,而对围护结构进行保温减少冷热负荷损失,最大限度减少P3实验室运行费用,使它能安全、经济、合理地运行。
洁净等级:
主实验室:1万级
准备室:1万级
其他房间:10万级
换气次数:
主实验室:35次(生物安全柜排风量大,为确保实验室压力稳定,适当增加换气次数)
准备室:15次
其他房间:12次
负压梯度
↓ 一更(0Pa)
↓ 淋浴(-5Pa)
↓ 二更(-15Pa)
↓ 准备(-30Pa)
↓ 主实验室(-40/-60Pa)
负压梯度逐级增大。
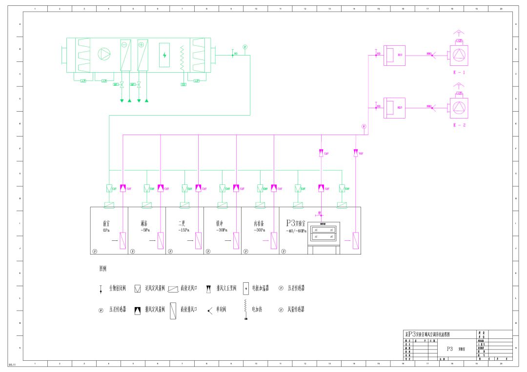
新风经过初中效、送风机段、均流段、表冷、加热、加热、除湿、中效等功能段位处理。
后送入房间的高效风口送风。粗效过滤对粒径大于5μm大气尘的技术效率不低于50%,设置在空调机组入口处,中效过滤对粒径大于1μm大气尘的计数效率不低于70%,设置在空调机组出口处,高效过滤对粒径大于0.3μm大气尘的计数效率不低于99.99%,设置在系统末端的高效送风口内。高效送风口前安装一个定风量调节阀,以应对高效过滤器随着时间推移阻力变大,风量减小的问题。

(图片可点开放大看) P3实验室空调流程系统送风部分 作者编制
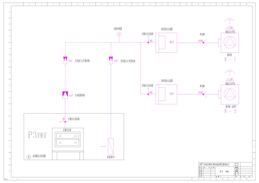
P3 实验室有生物危险性,需保证负压防止微生物污染的外逸,不仅要求除菌,更要进行隔离处理,实验室配备了生物安全柜,它不适用循环风,为全排型。生物安全柜的排风和P3实验室房间共用一套排风系统,生物安全柜的排风管上安装定风量文丘里阀,P3实验室房间的排风管上安装变风量文丘里阀。通过文丘里阀的快速响应,快速稳定生物安全柜在开启和关闭时的压力扰动。实验室的排风系统采用H13等级具有自动检漏功能的袋进袋出过滤器。

(图片可点开放大看) P3实验室空调流程系统排风部分 作者编制
气流组织采用上送下排方式,送风口设置在生物安全柜的对面上方顶棚处,靠近侧墙,排风口设置在生物安全柜后下方侧墙处,有序地使室内气流从污染程度低处流向高处,并降低污染程度高的气体流经实验人员呼吸带的可能性。
如下为P3实验室的通风空调系统流程图

(图片可点开放大看) P3实验室空调流程系统图 作者编制
通风空调控制
通过楼宇自控系统,实现实验室空调通风系统的控制和监视。
分别针对工作状态和非工作状态,设定了两组控制程序。工作状态下,实验室的空调系统按照正常的设定值保障压力和级洁净度。非工作状态下,只要满足房间的最小负压值即可。工作状态可以根据时间表,自动开启,但非工作状态必须由人员操作开启。
根据实验室的温、湿度传感器的设定值控制空调机组制冷、制热、加湿、除湿的过程,确保实验室满足温湿度等环境参数的要求。
夏季温湿度控制工况分正常工况和除湿工况,当比较室外空气和室内空气的湿度,判断是否需要除湿。正常工况下,通过调节冷水阀控制室内温度。除湿工况下,调节冷水阀进行露点温度控制,控制室内相对湿度,并开启电加热,控制室内温度。
冬季通过调节热水阀控制房间温度,并调节电极加湿器,确保房间湿度。
随着运营时间的推移,无论是送风还是排风,滤网和风管阻力增加都会,风量传感器检测到风量减小,偏离设定值,通过调节送风机和排风机变频频率维持风量恒定。
主实验室的采用定风量送风,变风量排风。通过变风量文丘里阀快速调节风量,达到室内压差传感器的设定值。其余辅助房间,采用送风和排风采用定风量阀。
对于上海的P3实验室,生物安全柜安装后要进行调试达到规定的指标,其中各运行状态的风量调整与空调密切相关,它会导致房间的排风波动,严重影响着房间的负压值,房间小而风量变化大给设计带来很大难度。排风与生物安全柜互锁,房间不许有瞬时正压的出现,排风与送风互锁,反应要灵敏,在1s内保证消除房间的正压。运用文丘里阀既可以满足P3实验室的变风量控制要求又节能,还解决了排风口的设置困难。(下个章节会详细介绍文丘里阀)
在P3实验室内的生物安全柜和房间共用一个排风系统,当生物安全柜停止使用时,通过定风量调节阀来恒定房间送风量,关闭生物安全柜排风的电动密闭调节阀,通过变风量调节阀来恒定房间的排风量,保证负压风量和负压差。当生物安全柜工作时,通过定风量调节阀来恒定房间送风量,开启生物安全柜排风的电动密闭调节阀,通过定风量调节阀来恒定安全柜的排风量,并通过变风量调节阀来恒定房间排风量和负压风量、负压差。电动密闭阀渗漏率小于0.05%,防止安全柜停止时柜内的残留气体经过阀门和排风口倒流到室内。
空调通风系统开启顺序,排风机先开启,送风机后启动。关闭顺序,在送风机先关闭,排风机后关闭。
滤网压差报警:滤网使用时间过长阻塞,前后压差超过设定值会向控制室报警,提醒更换滤网。
风机压差报警:风机前后压差低于设定值,向控制室报警,提醒检查风机。
热泵/风机运行故障报警:热泵/风机过载触发热继电器动作,向控制室报警,提醒检查设备及其电气控制柜。同时设备停止运行,自动切换到备用设备运行。
室内压差报警:房间的负压低于设定值,意味着风量控制装置失灵,控制系统会触发实验室的声光报警,提醒实验人员撤离,以及维护人员进行应急手动操作通风系统。
实验室通风空调系统部件选用介绍
文丘里阀是一种高精度与快速响应的实验室变风量控制阀门,常用于理化实验室、生物安全实验室、医院等此类需要对气流实现精确控制的场所,具有维持设定风量的自调式机械结构和高速的电动控制器,按照要求风量的变化进行高速控制,并且可以不受管道内静压变化的影响具有其他变风量不能实现的高调节比与压力无关的特性。

图片 变风量文丘里阀 来源于网络
调节原理:
文丘里阀对应管道静压的变化进行调整保持固定给的空气流量,因为每个阀门都带有一个弹簧椎体组件用于补充风道压力的变化。
当静压降低时,加到锥体上的力就会减小,这会使锥体内的弹簧膨胀。

图片 文丘里阀压力调整原理图1 来源于《Phoenix文丘里阀及相关系统工程应用实用指南》
当作用在锥体上的压力增加时,弹簧压缩,特殊锥体向文丘里内部移动以保持风量。

图片 文丘里阀压力调整原理图2 来源于《Phoenix文丘里阀及相关系统工程应用实用指南》
文丘里阀分类:
文丘里阀可以分为定风量和变风量文丘里阀两大类。
定风量文丘里阀:用于在静压变化的情况下保持气流设定点。阀杆/锥体组件锁定在特定的出厂前标定好的气流位置。
变风量文丘里阀:用于变风量闭环反馈控制。通过流量反馈和来自控制系统的控制信号闭环控制气流量,对控制信号的反应时间小于1秒。通过反馈电位器获得线性化的反馈信号,该反馈在厂内标定。改变风量是通过控制压缩空气推动阀门执行器改变锥体位置实现的;而对压缩空气的控制是通过控制压缩空气气路上的电磁阀的开闭实现的
文丘里阀特点:
在150Pa-750Pa风量与压力无关
可调节比不小于16:1
风量控制精确到气流控制信号的±5%
对信号变化以及风管静压变化的响应时间小于1秒
对风管静压变化的响应时间小于1秒
安装前后无需直管段,节省空间
袋进袋出过滤器类似于组合式空调箱,根据使用需要将不同的功能单元组合拼装与袋进袋出箱体。主要有过滤单元与监测单元组成,过滤单元包括预过滤器、高效离子过滤器、高效气体吸附过滤器。监测单元即为精细扫描监测装置。

图片 袋进袋出过滤器组件示意图 来源于《袋进袋出过滤器的特点与使用》
特点:
袋进袋出过滤器最大的特点在于其安装、更换,检测过滤器时,均在PVC袋保护下进行,过滤单元完全不会与外界空气接触,从而保证了人员与环境的安全,使得更换过程方便快捷。
更换过滤单元时,工作人员打开检修门,将双手伸入PVC袋上的手套里,松开过滤单元的锁定装置,将使用过的过滤单元滑入PVC袋内,然后在中间扎紧袋子将包含过滤单元的部分剪下,这样废弃的过滤单元就通过PVC袋子从箱体中移出。接着把新过滤单元装入新的PVC袋子,再将新的PVC袋子套在法兰口上扎紧,取下法兰上残余的袋口,放入新袋子的手套里,扎紧后将其剪下,再把新袋子卷好,关闭检修门并压紧,即完成了全部的更换过程。
在整个安装与更换过程中,除了首次安装过滤单元外,所有脏过滤单元移除和新过滤单元进入均通过PVC袋子,保证整个系统与外界隔绝,可以不经过熏蒸消毒而直接更换,节省了大量的时间,并且更加安全可靠。同时也是因为这种更换过滤单元的方式,此类过滤设备才被形象的称为袋进袋出(BIBO)。
袋进袋出过滤器除了使用安全便捷的更换技术之外,其整体的牢固性和气密性也十分值得称道。其生产主要依据核工业标准,美国的ASME N509和N510。设备箱体一般为不锈钢整体焊接,气密隔离阀与箱体之间采用法兰连接,连接处通常使用氯丁密封垫圈和氯丁法兰垫圈进行密封,在特殊的需求下(如高危险、高致病性环境)设备可以抵抗地震。
袋进袋出过滤器的另一个特点是其可检测性。自动扫描检测单元可以随时检测过滤器的效率及安全性。检测单元紧邻这个由过滤器及其框架组成过滤面,在距离过滤面25mm处有一个取样装置,该取样装置将沿整个过滤面做蛇形运动,移动速度最高为50mm/s,这样就可以随时或者根据使用的要求按时的检测过滤设备的过滤表面及密封区域,整套检测装置同样用PVC袋子封闭在箱体内,取样和分析装置通过快速接头连接至箱体外,并且所有采样口均设有小型HEPA,同样保证整个检测段的密封性和安全性。
生物安全密闭主要用于核电厂和高危险生物实验的气流隔离。该种密闭阀用于袋进袋出过滤器的消毒和P3实验室通风管道的关断,以便于房间消毒。生物安全密闭阀采用转动碟片原理,类似于蝶阀。
每个阀门在出厂前,都经过零泄漏检测。采用的密封标准类等同于袋进袋出过滤器过滤器,在ASME N509和EN12266-2标准下,在压差达到2500Pa时,满足零气泡泄漏,泄漏率小于5x10-7m3/s/m2。且经过疲劳测试验证,阀门开关了1万次也不会降低气密性性能。阀体、碟片、转动轴、密封座均采用304不锈钢材质。

图片 生物安全密闭阀 来源于网络
a、送风系统经过粗、中、高效三级过滤,且管道、阀门、风口均为304#不锈钢材质,易更换、易清洗。
a、所有风管均应采用20mm橡塑保温。
b、所有送、排风管均为304#不锈钢风管满焊。
a、送风空调机组,配电极加湿器,确保加湿精度。
b、机组的内表面及内置零部件应选用耐消毒药品腐蚀的材质或面层,机组内壁采用不锈钢。
c、机组内部结构应便于清洗,并能顺利排放清洗废水,不易积尘、滋生细菌。
d、送风空调机组的冷凝水排出口应具备自动防倒吸,并在负压时能顺利排出冷凝水的装置。
e、空调机组箱体的密封可靠,当机组内保持1000Pa的静压值时,箱体的漏风率不大于1%。
以上通过上海某P3生物实验室的空调设计、控制、选型方法介绍,供设计人员参考,希望对未来三甲医院设计建设和P3实验室设计建设有所启发。
整理:Gerrit Chen
编辑:可昆